海南有色工程勘察设计院 海南海口 570100
摘要:室内土工试验是岩土工程勘察工作中的重要组成部分,其目的主要是土工试验人员使用标准的仪器遵照标准的试验操作方法,根据建设工程的要求对地基土的试样,进行各种试验项目的测试,提供可靠的物理、力学性指标参数。它们是供工程设计人员作建(构)筑物基础设计或选材的依据。作者通过该项目,根据要求进行不同类型的试验,对淤泥类土样进行工程特性分析。
关键词:土工试验;勘察;指标参数;淤泥
概述
室内土工试验是岩土工程勘察工作中的重要组成部分,其目的主要是土工试验人员使用标准的仪器遵照标准的试验操作方法,根据建设工程的要求对地基土的试样,进行各种试验项目的测试,提供可靠的物理、力学性指标参数。它们是供工程设计人员作建(构)筑物基础设计或选材的依据。
目前海南为推进国际旅游岛建设,在城市及郊区建造各类工程设施。儋州市白马井人工岛工程为该市一项填海工程。土工试验项目共有469个土样,包括岩、砂、粉土、粘土、淤泥几大类,其中淤泥类土样在进行制样装样时较容易受扰动破坏,影响试验精度。
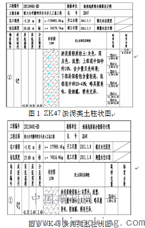
作者通过该项目,根据要求进行不同类型的试验,对淤泥类土样进行工程特性分析。除钻孔号ZK47为主要淤泥层外,孔号为ZK48的第一层也为淤泥类土层。由于土层不均匀性,加上取样时的扰动,运输过程的碰撞,温度的变化,水分随时间的流失,制样的扰动,使得土工试验结果离散性较大。因此,试验人员对试验结果能够进行定性和定量的分析。存在淤泥类土的柱状图如下:

ZK47属于Q4年代,共有6个淤泥类层,含沙或贝类。进行土工试验时,装在铁盒里的土样外层略有失水,带点铁锈内部保存完好,如现场描述所示。
ZK48孔号的第一层也为淤泥类土。
1 土工试验分析
1.1 物性试验分析

《建筑地基基础设计规范》对淤泥类土进行定名为,淤泥:天然含水率大于液限、天然孔隙比大于1.5的粘性土;而淤泥质土则是:天然含水率大于液限、天然孔隙比在 之间的粘性土。但其中钻孔号为ZK47-1'与ZK47-1的土样含水率并不小大于液限,孔隙比均大于1,其液性指数较大( ),国内有关学者[1]仍然建议定名为淤泥质土。再根据塑性指数和颗分试验结果定名为淤泥质粉质粘土、淤泥质粘土。
1.2 直剪试验分析

淤泥类土样的快剪试验强度指标一般较小, kPa, ,已有学者[2]做过大量试验,找到直剪强度指标与干密度的关系曲线,可以对试验进行定性分析。

土样扰动对试验结果影响较大,且试验类型不同,土样扰动后对结果的影响也不同。进行快剪试验的土样扰动后,强度降低,而固结快剪时,则由于在室内会于原位上覆自重应力下再固结时产生相当大的附加压缩,从而使得测出的指标偏大相反。
除此之外,荷载的选择对正常固结土和超固结土的强度指标会有差异。正常固结土层中某个深度上取土进行固结快剪试验时,施加的固结应力都必须大于其原位上覆土的自重应力,如果按照一般规定选取荷载为 kPa,得出的试验点就可能分别分布在超固结和正常固结的二条强度线上。所以,加载时应按照取土深度进行选取荷载。
同时,也存在另一个问题:当土样较深,需要加荷较大,而淤泥类土样强度低,进行大荷载剪切时土样容易从剪切盒缝隙挤出,造成试验失败。因此,土工试验人员需要丰富的经验,还能根据类似工程、相关文献的关系曲线对试验结果进行定性、定量分析。
1.3 压缩试验分析
压缩系数用来评定土的压缩性。一般工程上采用快速压缩试验来测定,5级荷载,最后一级的时间应使土样压缩达到稳定(稳定标准为量表读数每小时变化不大于0.005mm)。粉质粘土的快压试验最后一级达到稳定[3]需要4~6小时,而淤泥类土流变性较大,持续需要时间至少为24小时。

淤泥类土一般为高压缩性土,即 Mpa-1。
固结系数用以反映土体固结快慢的指标。一般是通过压缩试验,绘制在一定压力下的时间—压缩量曲线,再结合理论公式来确定固结系数 。下图为固结试验P=400kPa下用时间平方根法做的曲线。
在P=100、200、300、400kPa下获得曲线,求出固结系数,结果如表4:
1.4 三轴试验分析

进行三轴试验时,制做成圆柱形试样比用环刀法制土样更复杂,装样时也会很大程度的扰动,因此需要根据类似的工程进行调整,也应按照快剪试验结果进行定性分析。

根据试验要求,用Geocomp公司生产的全自动三轴仪对淤泥类土进行不饱和UU试验。
试验中,含有贝壳的淤泥三轴试验应力-应变曲线出现了波动状,这是由于淤泥强度低,而一旦含有贝壳等杂质时将影响曲线的光滑性。将曲线进行非线性拟合可以得到一下图6结果:

画出莫尔圆后得出UU强度参数如表6:

1.5 渗透试验分析
渗透仪水头差可以达到2米,当土样充分饱和时就可以开始测量了。但淤泥类土由于渗透系数较低,而水头差较小,导致较难饱和。作者在抽气管道塞上棉花(防止由于吸力将细小颗粒吸出土体)进行抽气饱和,试验时间能大大缩短,但试验结果偏大。因为将装着淤泥类土样的渗透仪放入保湿皿进行抽气饱和,停止抽气时由于撤去吸力土体会变松、变散。这样会导致结果的偏大。

2 总结
综合以上试验,淤泥类土为天然含水率大于液限,孔隙比大于1的粘性土;强度参数指标较低,反映其承载能力较低,未经处理不能做为天然地基持力层;为高压缩性土,淤泥层会产生较大沉降;透水性较低,但是粘粒含量较小,不能作为不透水层;
参考文献:
[1] 王君,刘福臣.对淤泥及淤泥质土定名的商榷.土工基础[J].
[2] 陈映红.淤泥及淤泥质土的物理力学性质指标的相互关系研究[J].
[3] 魏汝龙,固结快剪试验中的几个问题 (南京水利科学研究院土工所)
[4] 关于软土状态确定标准的讨论 冯铭璋 工程地质学报Vol.5 No.1
[5] 软土压缩曲线特征 冯铭璋(交通部第三航务工程勘察设计院,上海)岩土工程学报第14卷 1992年 第5期
[6] 软粘土的土样扰动及其影响 魏汝龙 1986年 南京水利科学研究院 水利水运科学研究第2期 土工研究所
[7] 软粘土工程性质数据库的初步建立 1994年9月第3期 南京水利水运土工研究所 王年香 魏汝龙
[8] 室内土工试验常见问题与试验数据准确性的探讨 四川建筑 谢泛舟
论文作者:袁厚海
论文发表刊物:《基层建设》2017年第24期
论文发表时间:2017/11/29
标签:淤泥论文; 土工论文; 曲线论文; 强度论文; 粘土论文; 指标论文; 工程论文; 《基层建设》2017年第24期论文;
