台山核电合营有限公司 广东台山 529228
摘要:本文主要论述了EPR三代压水堆核岛辅助系统管道支架(防甩支架、阻尼器、弹簧箱等特殊支架除外)的新特点,通过对EPR支架目录等上游文件的消化、总结,结合安装过程中遇到的典型问题,展示出EPR支架安装特点和难点;此外,本文还通过EPR与CPR1000项目在辅助系统管道支架方面的差异性分析,对后续核电工程提出了合理化建议。
关键词:EPR;核岛辅助系统;支架安装;差异性分析
1.前言
EPR支架采用新的建造规范(RCC-M2007和EN13480),由设计方ANP充分吸收借鉴欧洲核电站设计经验进行优化设计而来,其设计、制造及现场安装均参照统一标准《EPR Support catalogue》执行,使得EPR核岛辅助系统管道支架呈现出许多新特点,如大量使用预埋板和方钢、二阶段支架成品供货、支架间隙调整量减少等;在支架安装过程中,超厚二阶段支架热处理、预埋板偏差、支架框架间隙调整难度加大、设计变更量大等典型问题凸显,全面体现了EPR支架安装的特点和难点。通过分析对比EPR与CPR1000的这些差异,为后续核电工程提供了借鉴。
2.EPR支架特点介绍
2.1支架结构简化
EPR支架生根方式大多采用预埋板形式,较 CPR1000项目常用的膨胀螺栓锚固基板省去了大量钻孔和膨胀螺栓安装工作,施工工序更简单,施工效率得到提高。同时,CPR1000支架常用结构复杂的工字钢、槽钢等型钢,而EPR多采用结构简单的方钢,且二阶段采用成品供货。采用方钢后,EPR支架的焊缝长度较CPR1000工字钢减少1/3以上(如图1);另外,二阶段成品供货(如图2)减少了大量预制工作。以上特点使得EPR支架结构得到简化,安装效率大大提高。
图1 同规格的方钢和工字钢焊缝长度比较.png)
图2 二阶段支架成品供货.png)
2.2支架热处理
根据标准RCC-M2007规定:非应力消除条件下,对于最小抗拉强度不超过440MPa的钢材(如S235—S275—A37—A42—A48),当焊接接头的等效厚度E大于40mm时,需要进行预热和后热处理。EPR支架材质通常为S235,且大管的二阶段支架一般较厚,经计算等效厚度,许多需进行热处理。等效厚度E的计算方法如图3所示。
图3 焊接接头等效厚度计算.png)
2.3 支架间隙调整量大大减少
EPR二阶段支架在设计时就提前考虑了支架功能间隙,以型号V9CFR(GL功能)二阶段为例,支架目录显示其管卡内径ΦD=63.5mm,管道外径Φd=60.3mm,ΦD>Φd,在设计上就预留了间隙,不需在安装过程中进行调整,就使得支架纵向导向(GL)功能得以实现。另外,EPR支架在设计选型时最大程度减少了框架型支架的设计,例如,以纵向导向(GL)和滑动(PL)功能支架为例,CPR1000项目多设计为框架型结构,而EPR这类功能的支架中,框架型支架仅有49__63G3,49__63SP,49_64G2P,V6_GA和V6_GB 等5种类型(如图4),这大大减少了支架安装时的框架间隙调整量。
3.台山EPR支架安装特点和难点
EPR支架采用新的设计理念,安装技术要求与CPR1000不同。由于是新技术,无已建成的电站供参考,使得 EPR支架安装呈现出以下特点和难点。
3.1 大量支架焊接需进行热处理
支架热处理的目的是为了消除焊接应力,这是EPR支架安装的新要求。安装施工前,需对标准规范进行仔细研究和分析,对支架材料特性、焊接工艺、焊接接头等效厚度计算、热处理工具及消耗性材料等进行全面梳理、分析,这对现场安装技术人员的能力要求较CPR1000更高。在台山1#机组核岛穹顶区域安装时,我们发现 11个支架焊接过程中未进行热处理,后经调查分析,是因为技术人员错误地理解了规范RCC-M2007的要求,未正确选择焊接接头等效厚度计算方法。对此,我们立即更新焊接工艺数据包,按照标准要求,11个支架重新热处理并完成焊接。之后,我们就二阶段支架热处理重新进行梳理、分析,统计得出台山项目单台机组需要热处理的二阶段支架多达4000多个;同时,我们对热处理所需要的便携式加热设备、消耗性材料及人力投入需求进行分析,及时对相关设备和消耗性材料进行采购,满足了现场安装要求。
图4 EPR 主要5种框架型支架.png)
二阶段支架热处理是EPR支架安装施工过程中的新工艺,虽然现场施工难度提高、施工效率有所降低,但这一特殊工艺保证了支架安装质量,使得这些支架能可靠支撑起核岛厂房内各类管道系统,为核电机组在整个寿期内的安全运行提供了保障。
3.2支架框架间隙调整难度加大
台山EPR设计了5种框架型支架(图4),框架间隙调整是此类支架安装的难点。以V6_GA型双滑动功能支架为例,其上部框架间隙要求3-5mm(图5),而CPR1000支架框架间隙要求为1-3mm,超差时可添加最多2块标准(垫板总厚≤10mm)的碳钢或不锈钢垫板。但对于EPR支架,设计上不允许使用永久性垫板调整框架间隙。
图5 DW功能支架(间隙集中在上部)
图6 DW功能支架间隙调整方法.png)
为解决该问题,我们提出以下解决方法:当支架框架间隙超差时,对图6红框内方钢在调节余长范围内(50-100mm)进行切割并根据间隙要求调整方钢位置,间隙合格后再进行焊接。
不能使用永久垫板,这使得支架框架间隙调整难度加大,但我们优化焊接施工逻辑,在支架调节余长范围内切割并调整方钢的位置,使得EPR支架框架间隙调整有了新的解决途径。
3.3预埋板偏差问题
EPR支架大量从预埋板焊接生根,预埋板可能会存在凹陷、倾斜、定位偏差甚至漏埋等问题,将对支架的安装造成重大影响。对于预埋.png)
a代表正弦值,如果现场无法测量斜边长度可用正切值代替,具体根据现场情况决定。
图7 土建预埋板倾斜角度公差
板凹陷或倾斜问题,可根据凹陷深度或倾斜角度相应切割支架方钢,以保证方钢与墙面的垂直度,预埋板倾斜角度允许偏差如图7所示。对于预埋板漏埋问题,可增加膨胀螺栓锚固基板解决。
而预埋板定位偏差问题,通常需要修改支架结构,现场处理难度较大。根据安装技术规范要求,EPR支架生根的方钢边缘需与预埋板边缘保持至少40mm的距离(几种特殊型号距离可稍小)(图8)。如果预埋板定位偏差过大,生根方钢将定位不到预埋板焊接区域内,甚至超出预埋板边缘。
图8 一阶段支架方钢距预埋板边缘距离要求.png)
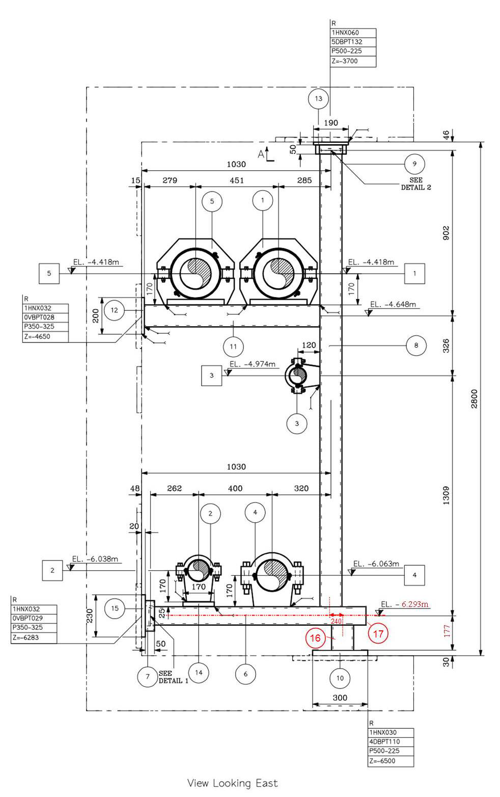
例如,1#机核岛HNX厂房内一个U6BB型支架预埋板定位偏差过大,导致该支架生根方钢主梁定位到了预埋板之外(图9)。为解决该问题,我们将原竖直主梁切短,将底部横梁加长并增加一段120×120的方钢(部件16)和方钢端部封堵板(部件17),使修改后的方钢主梁成功定位到埋偏的预埋板上,如图10所示。
预埋板偏差多由土建施工公差累积或设计接口问题导致,许多只能在安装阶段进行消化和调整。利用EPR支架方钢的调节余长,我们成功解决了这些偏差问题,但也使得安装过程中方钢切割及结构修改调整工作量大为增加,这也成为EPR支架安装的一个难点。
图9 支架修改前
图10 支架修改后.png)
3.4设计变更量大
EPR支架由于采用新技术、新标准,暂无建成投产的电站供参考,设计修改量较CPR1000项目要大。面对较大的设计变更量以及随之而来造成的安装返工,我们是怎样进行设计变更管理的呢?首先,我们先弄清设计修改的原因,分析修改的必要性;其次,我们从现场角度,提出对安装质量和进度影响最小的方案,推动设计进行优化;最后,也是最重要的,从体系上解决问题,尽可能减少颠覆性修改的发生,例如,对于重大设计变更,我们建立一套上、下游预警、反馈机制,当有重大设计修改要发布时,设计提前通知下游,如果下游核实设计修改现场可执行,设计则下发设计变更,否则需要设计重新优化修改方案。以上这些做法,既满足了设计标准要求,又最大程度上减少了现场返工,为后续设计变更的管理提供了良好借鉴。
4.对后续工程的建议
由于技术的改进,设计标准的更新,台山 EPR支架安装较CPR1000具有许多鲜明的特色,这也给后续工程不少启示:
(1)后续工程在支架设计时,尽可能采用标准化、模块化设计理念,如大量使用预埋板和结构简单的方钢、二阶段支架成品供货等,可简化支架结构、提高安装效率;
(2)在设计时提前考虑支架方钢调节余长,便于处理支架安装过程中的预埋板偏差问题和支架框架间隙调整问题;
(3)面对占据核岛安装半壁江山的辅助系统安装工作,对新技术、新标准(如EPR支架热处理要求)细致有效的研究、消化是非常有必要的,如果在哪一关键环节出现问题而未能及时发现或引起重视,轻则造成安装返工,重则将给后续系统调试、电站运行埋下质量和安全隐患;
(4)面对新技术、新堆型中所存在的设计不完善和变更量大的问题,只要我们建立一套有效的预警反馈机制,给现场安装进度和质量造成的影响将会降至最小。
参考文献:
[1]RCC-M 2007,《压水堆核电站核岛机械部件设计和建造规则》2007年版
[2]EN13480-2002,《工业金属管道》2002年版
[3]TSN-EM4-Technical Requirements-Installation and Prefabrication of Piping and Associated Supports Rev.D,《EM4 技术规范——管道及其支架的安装和预制》D版
[4]EPR-SUPPORT CATALOGUE(DESIGN DOCUMENT)Rev.D,《EPR支架目录》(设计文件)D版
[5]EPR-SUPPORT CATALOGUE PART2(FABRICATION DOCUMENT)Rev.D,《EPR支架目录 第2部分》(制造文件)D版
[6]TSN - EM4 - Work Specification - Prefabrication and Erection of
Piping and Associated Supports Rev.B,《EM4工作规范—管道和相关支架的预制和安装》B版
[7]Tolerances for Piping and associated Support Structures Rev.C,《管道及其支架结构的公差》C版
论文作者:余前
论文发表刊物:《基层建设》2016年13期
论文发表时间:2016/10/18
标签:支架论文; 间隙论文; 框架论文; 台山论文; 阶段论文; 偏差论文; 管道论文; 《基层建设》2016年13期论文;
